Описание
Характеристики
Отзывы
Описание
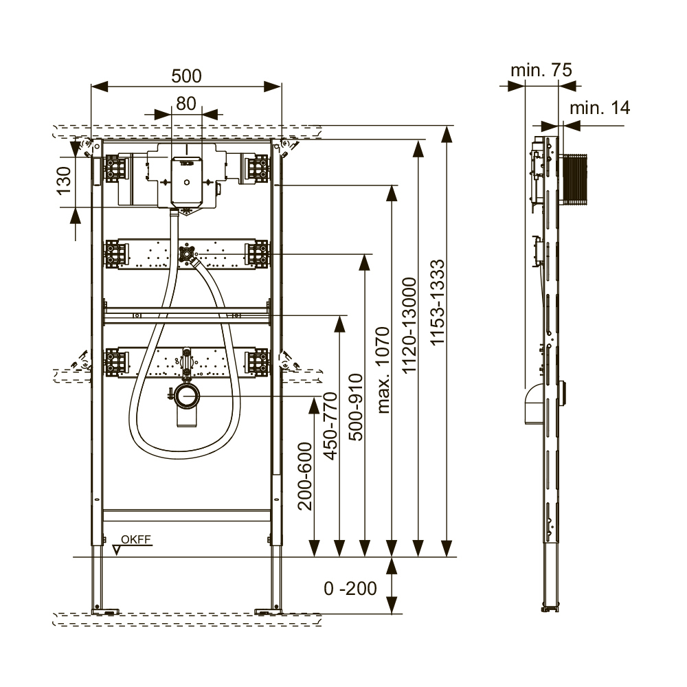
Модуль для писсуара TECEprofil с клапаном U 2, монтажная высота 1120 мм.
Модуль для писсуара для установки панелей смыва TECEfilo.
Для крепления на профиле TECEprofil или для монтажа в металлических или деревянных каркасных стенах, перед стеной или в качестве углового модуля.
Модуль для писсуара для установки панелей смыва TECEfilo.
Для крепления на профиле TECEprofil или для монтажа в металлических или деревянных каркасных стенах, перед стеной или в качестве углового модуля.
Характеристики
Бренд
TECE
Гарантия
10 лет
Страна-изготовитель
Германия
Комплектация
Полностью собран, состоит из:
- Клапан писсуара TECE U 2 с контролем потока и системой защиты
застенного пространства
- Электропитание 230 / 12 В, встроенный трансформатор для
подключения к сети 220 В
- Настенный уголок для подводки воды Rp 1/2"
- Две регулируемых опоры для напольного крепления 0-200 мм
- Монтажная глубина 75 мм
- Две шпильки М8 для крепления писсуара
- Регулируемая монтажная пластина
- Регулируемое по высоте подключение к канализации
- Фановый отвод DN 50 с защитной заглушкой
- Крепежные элементы для установки писсуара
- Подключение воды 1/2"
Дополнительно приобретается:
- Панель смыва TECEfilo
- Комплект крепежных элементов для установки модуля
Внимание:
не подходит для установки полувстраиваемых писсуаров,
например, Keramag Joly and Visit.
Количество заводских упаковок
1
ТН ВЭД коды ЕАЭС
3922900000 - Прочие ванны, души, раковины, биде, унитазы, сиденья и крышки для них, бачки сливные и аналогичные санитарно-технические изделия, из пластмасс
Вес с упаковкой, г
9700
Назначение инсталляции
Для писсуаров
Высота, мм
11200
Отзывы
Отзывов еще никто не оставлял
